Wentylatory wysokotemperaturowe chemoodporne LFS
Promieniowy wentylator niskociśnieniowy o napędzie bezpośrednim.

Przystosowany do transportu powietrza w temperaturze do 150°C (wirnik ocynkowany, wentylator w wersji G HT) lub 200°C (wirnik z kwasoodpornej blachy stalowej, wentylator w wersji AP HT). Wentylatory LFS wykonane są standardowo w figurze LG90. Na indywidualne życzenie klienta urządzenie może być dostarczone w dowolnej figurze RD.
Materiał
Wirnik z łopatkami pochylonymi do przodu, zgrzewany z blachy stalowej kwasoodpornej. Wirnik i silnik wyważane są dynamicznie zgodnie ze standardem ISO 1940. Obudowa z nierdzewnej blachy stalowej, połączona z silnikiem elektrycznym dwuczęściową barierą temperaturową składającą się z tulei mocowania silnika i tarczki dyspersyjnej o dużej zdolności rozpraszania ciepła.
Silnik elektryczny
Wentylatory wyposażone są w asynchroniczne, jednofazowe silniki z kondensatorem 220-240V, 50Hz, lub trójfazowe 220-240V/380-420V, z zewnętrznym wirnikiem i łożyskami kulkowymi zgodne ze standardami IEC 72 i IEC 34-1, o stopniu ochrony IP 55 i klasie izolacji uzwojenia F. Silniki na inne napięcia i częstotliwości, o podwyższonym stopniu ochrony mogą być dostarczone na życzenie.
Wentylatory wyposażone są w asynchroniczne, jednofazowe silniki z kondensatorem 220-240V, 50Hz, lub trójfazowe 220-240V/380-420V, z zewnętrznym wirnikiem i łożyskami kulkowymi zgodne ze standardami IEC 72 i IEC 34-1, o stopniu ochrony IP 55 i klasie izolacji uzwojenia F. Silniki na inne napięcia i częstotliwości, o podwyższonym stopniu ochrony mogą być dostarczone na życzenie.
Zastosowanie
Seria wentylatorów LFS znajduje szerokie zastosowanie w dziedzinach wymagających precyzyjnego dawkowania powietrza oraz dobrej odporności na różnego rodzaju środki chemiczne. Cieszą się popularnością w systemach wentylacji szaf z chemikaliami, czy pomieszczeń znajdujących się w laboratoriach chemicznych. Wykorzystuje się je także w digestoriach, laboratoriach chemicznych. Wykorzystywane one są przy obróbce tworzywa sztucznego, pakowania termokurczliwego.
Charakterystyka
|  | Charakterystyki pracy wentylatorów chemoodpornych wysokotemperaturowych LFS | 
Konstrukcja
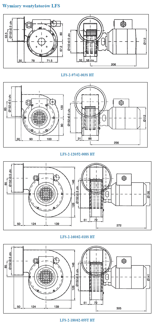
|  | Wymiary wentylatorów chemoodpornych wysokotemperaturowych LFS | 
Dane techniczne
| Typ | Moc  silnika kW | Napięcie V | Natężenie  znamionowe A | Wydajność  (max) m3/h | Ciśnienie (max) Pa | Masa  kg | Numer artykułu | 
| LFS-2-97/42-003S HT | 0,03 | 230 | 0,40 | 190 | 220 | 4,4 | 45012010 | 
| LFS-2-120/52-008S HT | 0,08 | 230 | 0,75 | 530 | 360 | 6,0 | 45012020 | 
| LFS-2-160/62-018S HT | 0,18 | 230 | 1,50 | 860 | 680 | 7,8 | 45012030 | 
| LFS-2-180/62-055T HT | 0,55 | 230/400 | 4,20/1,35 | 1280 | 1050 | 9,2 | 45012040 | 
|  | Karta katalogowa | 

