Wentylatory promieniowe MRA
Średniociśnieniowe wentylatory promieniowe o napędzie bezpośrednim. Unikalna konstrukcja wirników umożliwia transport
medium lekko zapylonego, zawierającego drobne cząstki stałe.
Standardowo wlot wentylatora jest wyposażony w stalową osłonę. Wentylatory przystosowane są do transportu nieagresywnych i niewybuchowych gazów bez zanieczyszczeń.
Wentylatory MRA wykonywane są standardowo w figurze LG270, istnieje możliwość zmiany figury na dowolną LG, na życzenie wykonywane są w figurze RD. Na zamówienie urządzenie może być dostarczone w dowolnym kolorze z palety RAL (standardowo RAL 7042 -szary).
medium lekko zapylonego, zawierającego drobne cząstki stałe. Standardowo wlot wentylatora jest wyposażony w stalową osłonę. Wentylatory przystosowane są do transportu nieagresywnych i niewybuchowych gazów bez zanieczyszczeń.
Wentylatory MRA wykonywane są standardowo w figurze LG270, istnieje możliwość zmiany figury na dowolną LG, na życzenie wykonywane są w figurze RD. Na zamówienie urządzenie może być dostarczone w dowolnym kolorze z palety RAL (standardowo RAL 7042 -szary).
Materiał
Wirniki z łopatkami pochylonymi do tyłu nitowane z blachy aluminiowej, wyważane dynamicznie wg ISO1940. Wirniki spawane stalowe lub ze stali nierdzewnej oferowane są na życzenie. Obudowa odlewana ze stopów aluminium.
Silnik elektryczny
Asynchroniczny, trójfazowy 230/400V lub 400V, 50Hz, lub jednofazowy 230V, 50Hz z kondensatorem.
Silniki są wykonane zgodnie ze standardami IEC 60072 i IEC 60034, posiadają znak CE. Klasa izolacji F, stopień ochrony IP55. Silniki na inne napięcie i częstotliwość, o
podwyższonym stopniu ochrony, przystosowane do regulacji napięciowej lub przetwornicą częstotliwości, z niezależnym chłodzeniem, z czujnikami (bimetalowymi lub pozystorowymi) mogą być dostarczane na życzenie.
Zastosowanie
Układy odciągów wstępnie przefiltrowanych pyłów technologicznych (np. cięcia, szlifowania, polerowania), transportu pneumatycznego (np. produkcja PET), nadmuch w układach suszenia (np. maszyny graficzne i obróbka tworzyw sztucznych), systemy nadmuchu powietrza w układach spalania/obróbki termicznej (np. piece topialne), itp.
Charakterystyka
![]() | Charakterystyki pracy wentylatorów promieniowych MRA |
Konstrukcja
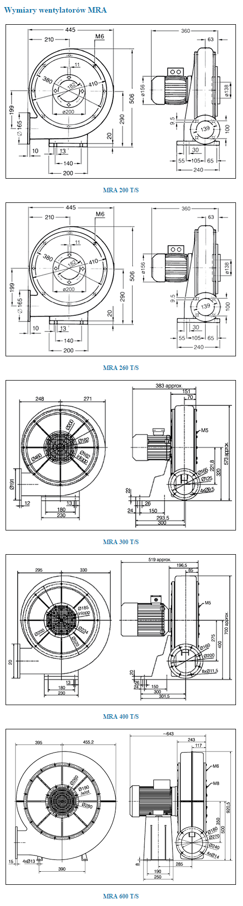
![]() | Wymiary wentylatorów promieniowych MRA |
Dane techniczne
|
Typ
|
Moc
silnika kW |
Prędkość
znam. obr/min |
Natężenie
znam. A |
Napięcie
V |
Wydajn.
max. m3/h |
Ciśn.
max. Pa |
Poziom
ciśn. akust. dB(A)* |
Masa
kg |
Numer art.
|
|
MRA 200T
|
0,75
|
2800
|
1,7
|
230/400Y
|
1250
|
2550
|
77
|
18
|
46510330
|
|
MRA 200S
|
0,75
|
2800
|
4,9
|
230
|
1250
|
2550
|
77
|
19
|
46510332
|
|
MRA 260T
|
1,1
|
2800
|
2,45
|
230/400Y
|
1550
|
2550
|
78
|
18,5
|
46510335
|
|
MRA 260S
|
1,1
|
2800
|
7,1
|
230
|
1550
|
2550
|
78
|
20
|
46510337
|
|
MRA 300T
|
1,5
|
2820
|
3,4
|
230/400Y
|
2240
|
3400
|
79
|
23
|
46510340
|
|
MRA 300S
|
1,5
|
2820
|
9,5
|
230
|
2240
|
3400
|
79
|
25
|
46510345
|
|
MRA 400T
|
4,0
|
2910
|
7,8
|
400Δ
|
4080
|
4180
|
83
|
60
|
46510360
|
|
MRA 600T
|
11,0
|
2910
|
20,2
|
400
|
6500
|
6600
|
90
|
83
|
46510374
|
* w odległości 1 m przy 0,5 wydajności maksymalnej


